उच्च शक्तीचे 1653.7nm लेझर मॉड्यूल सबकॅरियरवर चिपसह प्लानर बांधकाम वापरते. उच्च शक्तीची चिप इपॉक्सी-फ्री आणि फ्लक्स-फ्री 14-पिन बटरफ्लाय पॅकेजमध्ये हर्मेटिकली सील केली जाते आणि उच्च दर्जाची लेसर कार्यक्षमता सुरक्षित करण्यासाठी थर्मिस्टर, थर्मोइलेक्ट्रिक कूलर आणि मॉनिटर डायोडसह फिट केली जाते. मिथेन वायू शोधण्यासाठी 1653nm 40mW BTF लेसर डायोड हे Telcordia GR-468 पात्र आहेत आणि RoHS निर्देशांचे पालन करतात.
उच्च शक्तीचे 1653.7nm लेझर मॉड्यूल सबकॅरियरवर चिपसह प्लानर बांधकाम वापरते. उच्च शक्तीची चिप इपॉक्सी-फ्री आणि फ्लक्स-फ्री 14-पिन बटरफ्लाय पॅकेजमध्ये हर्मेटिकली सील केली जाते आणि उच्च दर्जाची लेसर कार्यक्षमता सुरक्षित करण्यासाठी थर्मिस्टर, थर्मोइलेक्ट्रिक कूलर आणि मॉनिटर डायोडसह फिट केली जाते. आमची लेझर उत्पादने Telcordia GR-468 पात्र आहेत आणि RoHS निर्देशांचे पालन करतात.
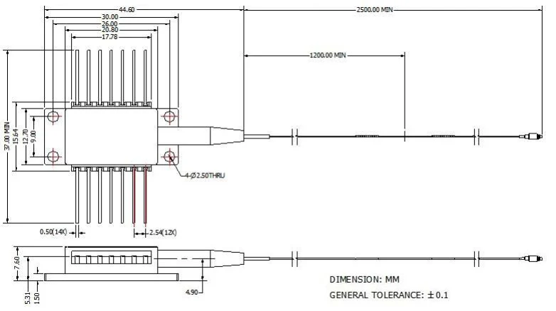
● उद्योग-मानक 14-पिन बटरफ्लाय पॅकेज;
● अंगभूत TEC आणि ऑप्टिकल आयसोलेटर;
● उच्च-कार्यक्षमता, मल्टीक्वांटम वेल (MQW) वितरित-फीडबॅक (DFB) लेसर.
● गॅस शोधण्यासाठी निष्क्रिय घटकांचे उत्पादन चाचणी;
● फायबर गॅस शोध प्रणाली;
● लेसर स्रोत.
| पॅरामीटर | प्रतीक | अट | मि. | टाइप करा. | कमाल | युनिट |
| केंद्र तरंगलांबी | λc | TL=15~35℃ CW | 1652.7 | 1653.7 | 1654.7 | nm |
| ऑप्टिकल आउटपुट पॉवर | पो | CW | - | 40 | - | mW |
| एलडी थ्रेशोल्ड वर्तमान | आयटीएच | CW | - | 15 | 40 | mA |
| LD फॉरवर्ड करंट | जर | पीएफ = रेटेड पॉवर | - | 300 | 400 | mA |
| ऑप्टिकल अलगाव | - | -10 < TC < +70℃ | 30 | - | - | dB |
| साइड-मोड सप्रेशन रेशो | SMSR | CW | 35 | 40 | - | dB |
| जबाबदारीचे निरीक्षण करा | मी/पीएफ | - | - | 1 | 20 | uA/mW |
| उत्तरदायित्व स्थिरतेचे निरीक्षण करा | - | - | - | - | 20% | - |
| गडद प्रवाहाचे निरीक्षण करा | आयडी | VPD = 5V | - | - | 50 | nA |
| TEC चालू | ITEC | Tcase = 75℃ | - | - | 2 | A |
| टीईसी व्होल्टेज | VTEC | Tcase = 75℃ | - | - | 3.5 | V |
| TEC वीज वापर | P | Tstg = 25℃ | - | - | 5 | W |
| थर्मिस्टर प्रतिकार | Rth | Tcase = 75℃ | 9.5 | 10 | 10.5 | कोहम |
| थर्मिस्टर बी स्थिर | Bth | Tstg = 25℃ | - | 3900 | - | K |
| तरंगलांबी प्रवाह (EOL) | △λ | 25 वर्षांच्या आयुष्यात चाचणी केली | - | - | ±0.1 | nm |
| तरंग. तापमान गुणांक | Δλ/ΔT | TEC तापमान 15℃ ते 35℃ | - | 0.09 | - | nm/℃ |
| तरंगलांबी वर्तमान गुणांक | Δλ/ΔΙ | - | - | 0.01 | - | nm/mA |

बाहेर पाठवण्यापूर्वी सर्व उत्पादनांची चाचणी केली गेली आहे;
सर्व उत्पादनांची 1 वर्षाची वॉरंटी आहे. (गुणवत्ता हमी कालावधीनंतर योग्य देखभाल सेवा शुल्क आकारण्यास सुरुवात झाली.)
आम्ही तुमच्या व्यवसायाची प्रशंसा करतो आणि त्याच 7 दिवसांची रिटर्न पॉलिसी ऑफर करतो. (वस्तू प्राप्त झाल्यानंतर 7 दिवस);
जर तुम्ही आमच्या स्टोअरमधून खरेदी केलेल्या वस्तू परिपूर्ण दर्जाच्या नसतील, म्हणजे ते उत्पादकांच्या वैशिष्ट्यांनुसार इलेक्ट्रॉनिक पद्धतीने काम करत नाहीत, तर त्यांना बदलण्यासाठी किंवा परताव्यासाठी आमच्याकडे परत करा;
आयटम सदोष असल्यास, कृपया वितरणाच्या 3 दिवसांच्या आत आम्हाला सूचित करा;
परतावा किंवा बदलीसाठी पात्र होण्यासाठी कोणतीही वस्तू त्यांच्या मूळ स्थितीत परत करणे आवश्यक आहे;
खरेदीदार सर्व शिपिंग खर्चासाठी जबाबदार आहे.
प्रश्न: तरंगलांबीची अचूकता काय आहे?
A: +/-0.5nm.
प्रश्न: तुमच्याकडे आउटपुट पॉवरच्या इतर आवृत्त्या आहेत का?
A: 10mW, 15mW, 50mW.
NH3 सेन्सिंगसाठी 1512nm 10mW DFB 14PIN बटरफ्लाय लेसर
आर्द्रता H2O सेन्सिंगसाठी 1392nm DFB बटरफ्लाय लेसर डायोड
CH4 शोधण्यासाठी 1653nm DFB बटरफ्लाय लेसर डायोड
CO संवेदनासाठी 1567nm DFB बटरफ्लाय लेसर डायोड
हायड्रोजन सल्फाइड शोधण्यासाठी 1578nm 10mW DFB लेसर डायोड
CO2 शोधण्यासाठी 1580nm DFB बटरफ्लाय लेसर डायोडकॉपीराइट @ 2020 Shenzhen Box Optronics Technology Co., Ltd. - China Fiber Optic Modules, Fiber Coupled Lasers Manufacturers, Laser Components Suppliers सर्व हक्क राखीव.