उत्पादने

1550 एनएम 25 डीबी एसओए सेमीकंडक्टर ऑप्टिकल एम्पलीफायर
  • 1550 एनएम 25 डीबी एसओए सेमीकंडक्टर ऑप्टिकल एम्पलीफायर 1550 एनएम 25 डीबी एसओए सेमीकंडक्टर ऑप्टिकल एम्पलीफायर
  • 1550 एनएम 25 डीबी एसओए सेमीकंडक्टर ऑप्टिकल एम्पलीफायर 1550 एनएम 25 डीबी एसओए सेमीकंडक्टर ऑप्टिकल एम्पलीफायर
  • 1550 एनएम 25 डीबी एसओए सेमीकंडक्टर ऑप्टिकल एम्पलीफायर 1550 एनएम 25 डीबी एसओए सेमीकंडक्टर ऑप्टिकल एम्पलीफायर
  • 1550 एनएम 25 डीबी एसओए सेमीकंडक्टर ऑप्टिकल एम्पलीफायर 1550 एनएम 25 डीबी एसओए सेमीकंडक्टर ऑप्टिकल एम्पलीफायर

1550 एनएम 25 डीबी एसओए सेमीकंडक्टर ऑप्टिकल एम्पलीफायर

1550 एनएम 25 डीबी एसओए सेमीकंडक्टर ऑप्टिकल एम्पलीफायर उत्पादन मालिका, प्रामुख्याने ऑप्टिकल सिग्नल एम्प्लिफिकेशनसाठी वापरली जाते आणि आउटपुट ऑप्टिकल पॉवरमध्ये लक्षणीय वाढ करू शकते. उत्पादनांमध्ये उच्च वाढ, कमी उर्जा आहे इतर वैशिष्ट्यांसह वापर आणि ध्रुवीकरण देखभाल आणि घरगुती नियंत्रित करण्यायोग्य तंत्रज्ञानासह पूर्णपणे प्रक्रिया करण्यायोग्य आहेत.

चौकशी पाठवा

उत्पादन वर्णन

1550 एनएम 25 डीबी एसओए सेमीकंडक्टर ऑप्टिकल एम्पलीफायर उत्पादन मालिका, प्रामुख्याने ऑप्टिकल सिग्नल एम्प्लिफिकेशनसाठी वापरली जाते आणि आउटपुट ऑप्टिकल पॉवरमध्ये लक्षणीय वाढ करू शकते. उत्पादनांमध्ये इतर वैशिष्ट्यांसह उच्च लाभ, कमी उर्जा वापर आणि ध्रुवीकरण देखभाल दर्शविली जाते आणि ते देशांतर्गत नियंत्रित करण्यायोग्य तंत्रज्ञानासह पूर्णपणे प्रक्रिया करण्यायोग्य आहेत.


वैशिष्ट्य

● 40 ग्रॅम आणि 100 ग्रॅम सी-बँड ब्लॉकिंग शटर किंवा मॉड्यूलेशन;
● 14 पिन फुलपाखरू पॅकेज;
● कमी आवाज आकृती आणि कमी ध्रुवीकरण अवलंबित्व;
एफसी/एपीसी कनेक्टरसह पीएम 1550 फायबर.
● विश्वसनीयता: टेलकोर्डिया जीआर -468. आरओएचएस


अर्ज

फायबर ऑप्टिकल कनेक्शन आणि स्विचसाठी नुकसान भरपाई
● डब्ल्यूडीएम फायबर ऑप्टिकल नेटवर्क;
● मोपा (मास्टर ऑसीलेटर पॉवर एम्पलीफायर) लेसर;


इलेक्ट्रो-ऑप्टिकल वैशिष्ट्ये (टी = 25 ℃)

पॅरामीटर प्रतीक अट मि. टाइप. कमाल. युनिट
ऑपरेटिंग तरंगलांबी lpeak 25 ℃, पिन = 0 डीबीएम - 1550 - एनएम
एएसई सेंटर तरंगलांबी चला 25 ℃, जर = 1000 एमए - 1490 - एनएम
-3 डीबी गेन बँडविड्थ ΔL पिन = -10 डीबीएम, जर = 1000 एमए - 100 - एनएम
संपृक्तता ऑप्टिकल पॉवर पीएमएएक्स जर = 1000 एमए,
पिन = 5 डीबीएम@1550 एनएम
- 23 - डीबीएम
लहान सिग्नल वाढ एसएसजी जर = 1000 एमए,
पिन = -25 डीबीएम@1550 एनएम
30 35 - डीबी
ऑपरेटिंग करंट जर - - 1000 1200 मा
फॉरवर्ड व्होल्टेज व्हीएफ - - 2.4 2.6 V
आवाज आकृती एनएफ 25 ℃, if = 1000ma, @1550nm - 6 8 डीबी
शटडाउन विलोपन रेशन आहे जर = 1000 एमए/आयएफ = 0 एमए,
पिन = 0 डीबीएम
- 35 - डीबी
टीईसी करंट ltec - - - 1.8 A
टीईसी व्होल्टेज Vtec - - 400 3.4 V
थर्मिस्टर रेझिटन्स Rtherm टी = 25 ℃ 9.5 10 10.5 के
थर्मिस्टर करंट ltherm - -2 - 5 मा
एकूण शक्ती P - - - 4 w
ऑपरेटिंग केस तापमान शीर्ष I = if -10 - 70
साठवण तापमान टीएस - -40 - 85


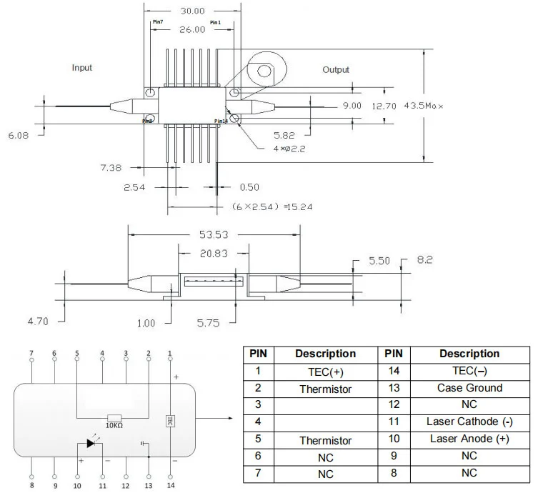
पॅकेज रेखांकन आणि पिन-आउट व्याख्या (युनिट: मिमी):

1550nm 25db Soa Semiconductor Optical Amplifier


ठराविक वैशिष्ट्यपूर्ण वक्र

1550nm 25db Soa Semiconductor Optical Amplifier

1550nm 25db Soa Semiconductor Optical Amplifier


वितरित, शिपिंग आणि सर्व्हिंग

शिपिंगआधी सर्व उत्पादनांची चाचणी घेण्यात आली आहे;

सर्व उत्पादनांमध्ये 1 वर्षांची हमी असते. (गुणवत्ता हमी कालावधीनंतर योग्य देखभाल सेवा शुल्क आकारण्यास सुरुवात झाली.)

आम्ही आपल्या व्यवसायाचे कौतुक करतो आणि त्वरित 7 दिवसांचे रिटर्न पॉलिसी ऑफर करतो. (आयटम प्राप्त झाल्यानंतर 7 दिवस);

जर आपण आमच्या स्टोअरमधून खरेदी केलेल्या वस्तू परिपूर्ण गुणवत्तेची नसतील तर ते उत्पादकांच्या वैशिष्ट्यांनुसार इलेक्ट्रॉनिक पद्धतीने कार्य करत नाहीत, तर त्यांना बदलण्यासाठी किंवा परताव्यासाठी आमच्याकडे परत करा;

आयटम सदोष असल्यास, कृपया वितरणाच्या 3 दिवसांच्या आत आम्हाला सूचित करा;

परतावा किंवा बदलीसाठी पात्र होण्यासाठी कोणत्याही वस्तू त्यांच्या मूळ स्थितीत परत केल्या पाहिजेत;

खरेदीदार सर्व शिपिंग खर्चासाठी जबाबदार आहे.


1550nm 25db Soa Semiconductor Optical Amplifier


FAQ

प्रश्नः आपल्याला आवश्यक असलेली तरंगलांबी काय आहे?

उत्तरः आमच्याकडे 1550 एनएम 1310 एनएम 1270 एनएम 1060 एनएम एसओए लेसर डायोड आहे.


प्रश्नः आउटपुट पॉवरची आवश्यकता काय आहे?

उत्तरः बॉक्स ऑप्ट्रॉनिक्स आपल्या आवश्यकतेनुसार सानुकूलित करू शकतात.


हॉट टॅग्ज: 1550 एनएम 25 डीबी एसओए सेमीकंडक्टर ऑप्टिकल एम्पलीफायर, उत्पादक, पुरवठादार, घाऊक, फॅक्टरी, सानुकूलित, बल्क, चीन, चीनमध्ये बनविलेले, स्वस्त, कमी किंमत, गुणवत्ता

संबंधित श्रेणी

चौकशी पाठवा

कृपया खालील फॉर्ममध्ये तुमची चौकशी करण्यास मोकळ्या मनाने द्या. आम्ही तुम्हाला २४ तासांत उत्तर देऊ.
X
आम्ही तुम्हाला एक चांगला ब्राउझिंग अनुभव देण्यासाठी, साइट रहदारीचे विश्लेषण करण्यासाठी आणि सामग्री वैयक्तिकृत करण्यासाठी कुकीज वापरतो. ही साइट वापरून, तुम्ही आमच्या कुकीजच्या वापरास सहमती देता. गोपनीयता धोरण
नकार द्या स्वीकारा